2000 - 1500 WOG 3 Piece Full Port Ball Valve with NPT, Socket or Butt Weld Ends with Direct Mount Actuation Design
Description
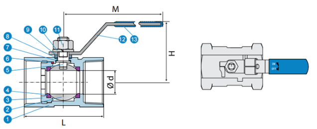
The series is a three piece, full port ball valve with NPT, socket or butt weld ends and ISO 5211 compliant direct mount actuation pad. The E20 is rated to 2000 WOG in sizes ranging from ¼" to 1" and to 1500 WOG in sizes ranging from 1-¼" to 2". Valve bodies are made of either CF8M or WCB with 316SS trim and a variety of seat materials to choose from.
Features
• Size Range: ¼" – 2"
• CF8M and WCB Bodies/316SS Trim
• Fire Safe to API 607 5th Edition
• Built-in ISO 5211 Mounting Pad for Easy Automation
• TFM 4215 Seat Material (TFM 1600 + 15% Carbon Option)
• Anti-Static Devices for Ball-Stem-Body
• Blow-out Proof Stem
• Pressure Balance Hole in Ball Slot
• TA-Luft Design/Approved Live Loaded Stem Packing
• 30° & 60° V-Notch Optional Control Ball
Standards
• Design: ASME B16.34, MSS SP-110, API608
• 2000 WOG for ¼" - 1"
• 1500 WOG for 1-¼" - 2"
• Fire Safe: API 607, ISO 10497
• Wall Thickness: ASME B16.34 Class 800
• Pipe Thread: ASME B1.20.1
• Butt Weld: ASME B16.25 (Ø B2 Sch 80)
• Socket Weld ASME B16.11
• Inspection and Testing: API 598
Materials of Construction


Dimensions

2000 - 1500 WOG 2 Piece, Full Port NPT Ball Valve with Direct Mount Actuation Design
Description
The series is a two piece, full port ball valve with NPT ends and ISO 5211 compliant direct mount actuation pad. The E30 is rated to 2000 WOG in sizes ranging from ¼" to 1" and 1500 WOG in sizes ranging from 1-¼" to 2". Valve bodies are made of either CF8M or WCB with 316SS trim and TFM 4215 seats.
Features
• Size Range: ¼" – 2"
• CF8M and WCB Bodies/316SS Trim
• Fire Safe Design Approved
• Built-in ISO 5211 Mounting Pad for Easy Automation
• TFM 4215 Seats
• Anti-Static Devices for Ball-stem-body
• Blow-out Proof Stem
• Pressure Balance Hole in Ball Slot
• TA-Luft Design/Approved Live Loaded Stem Packing
Standards
• Design: ASME B16.34, MSS SP-110
• 2000 WOG for ¼" - 1"
• 1500 WOG for 1¼" - 2"
• Pipe Thread: ASME B1.20.1
• Inspection and Testing: API 598
Materials of Construction


Dimensions

1000 WOG 2 Piece, Full Port NPT Ball Valve
Description
The series is a two piece, full port ball valve with NPT ends. The E52 is rated to 1000 WOG and is available in sizes ranging from ¼" to 2". Valve bodies are made of either CF8M or WCB with 316SS trim and PTFE seats.
Features
Size Range: ¼" – 2"
• CF8M and WCB Bodies/316SS Trim
• Blow-out Proof Stem
• Pressure Balance Hole in Ball Slot
Standards
• Design: ASME B16.34,
• Pipe Thread: ASME B1.20.1
• Inspection and Testing: API 598

Materials of Construction

Dimensions

1000 WOG 1 Piece, Reduced Port NPT Ball Valve
Description
The series is a one piece, double reduced port ball valve with NPT ends. The E55 is rated to 1000 WOG and is available in sizes ranging from ¼" to 2". Valve bodies are made of either 316SS or Carbon Steel with 316SS trim and PTFE seats.
Features
• Size Range: ¼" – 2"
• Carbon Steel and 316SS Bodies/316SS Trim
• Blow-out Proof Stem
• Pressure Balance Hole in Ball Slot
• Locking Device is Available Upon Request
Standards
• Design: ASME B16.34, MSS SP-110
• Pipe Thread: ASME B1.20.1
• Inspection and Testing: MSS SP-110

Materials of Construction

Dimensions


Hot Tags: 1/2 inch a351 cf8m 1pc steam ball valve, China, manufacturers, suppliers, factory, buy, price, quotation, Electric Actuator, Angular Travel For Rotork Actuator, High Torque Electric Actuator, Electric Rotary Valve Actuator, Electric Valve, Electric Gate Valve
