wafer lift check valve

Introduction
The disc of the butterfly check valve is disc-shaped and rotates on the rotation axis of the valve seat channel. Because the channel in the valve is streamlined, the flow pressure is smaller than that of the butterfly check valve, which is suitable for low flow rates and large diameters where the flow does not change much. Butterfly check valves are divided into three types: single-disc type, double-disc type and multi-disc type. These three forms are mainly divided according to the diameter of the valve. The purpose is to attenuate the hydraulic shock when the media stops flowing or reverses flow.
2. A check valve in which the valve disc rotates around a pin in the valve seat. The disc check valve has a simple structure and can only be installed on horizontal pipelines, and has good sealing performance.
3. A valve whose disc slides along the centerline of the valve body. The pipeline check valve is a new type of valve. It is small in size, light in weight and has good processing technology. It is one of the development directions of check valves.
The function of this type of valve is to only allow the medium to flow in one direction and prevent the flow in one direction. Usually this kind of valve works automatically. Under the pressure of fluid flowing in one direction, the valve disc opens; when the fluid flows in the opposite direction, the fluid pressure and the self-weight of the valve disc act on the valve seat, thus cutting off the flow.
Product features
The check valve is composed of a valve body, a valve disc, a valve stem, a spring and other parts. It adopts a wafer-type connection and has a compact structure. Because the valve disc has a short closing stroke and is spring-loaded, the closing speed is fast, which can reduce water hammer. The product has the characteristics of small size, light weight, sensitive action, reliable sealing, and easy installation. It can be installed horizontally or vertically, and can be used in water, weak acid, weak alkali, corrosive media, steam, oil and other media. The traditional H44 flange-connected swing check valve has the disadvantages of bulky size, large fluid resistance, high water hammer pressure when the valve is closed, difficulty in installation and maintenance, and short use time. In view of the problems existing in the traditional flange structure check valve, the H76 wafer double-disc swing check valve has the characteristics of short structural length, small size, light weight, fast valve closing, low water hammer pressure, easy installation, and low fluid resistance. , has the characteristics of sensitive action, good sealing performance, short valve disc stroke, small valve closing impact, simple and compact overall structure, and long service life.
Product display

Working principle
It may also be used on lines supplying auxiliary systems where the pressure may rise above the system pressure. Check valves can be mainly divided into swing check valves (rotating according to the center of gravity) and lift check valves (moving along the axis).
The function of this type of valve is to allow the medium to flow in one direction only and prevent the flow in the opposite direction. Usually this kind of valve works automatically. Under the pressure of fluid flowing in one direction, the valve disc opens; when the fluid flows in the opposite direction, the fluid pressure and the self-weight of the valve disc act on the valve seat, thus cutting off the flow.
The swing check valve has a hinge mechanism and a door-like valve disc that freely rests on the inclined seat surface. In order to ensure that the valve disc can reach the appropriate position of the valve seat surface every time, the valve disc is designed in the hinge mechanism so that the valve disc has enough swing space and makes the valve disc truly and comprehensively contact the valve seat. The valve flap can be made entirely of metal, or it can be inlaid with leather, rubber, or synthetic coverage on the metal, depending on the performance requirements. When the swing check valve is fully open, the fluid pressure is almost unimpeded, so the pressure drop through the valve is relatively small. The valve disc of the lift check valve is located on the sealing surface of the valve seat on the valve body. Except that the valve disc can rise and fall freely, the rest of this valve is like a stop valve. The fluid pressure causes the valve disc to lift from the sealing surface of the valve seat. The backflow of the medium causes the valve disc to fall back to the valve seat and cut off the flow. Depending on the conditions of use, the valve disc can be an all-metal structure, or it can be inlaid with a rubber pad or rubber ring on the valve disc frame. Like the stop valve, the passage of fluid through the lift check valve is also narrow, so the pressure passing through the lift check valve is larger than that of the swing check valve, and the flow of the swing check valve is less restricted.
Classifications
According to the structure, it can be divided into three types:
lift check valve, swing check valve and butterfly check valve:
1. Lift check valves are divided into two types: vertical and horizontal.
2. Swing check valves are divided into three types: single-disc type, double-disc type and multi-disc type.
3. The butterfly check valve is straight-through. The above check valves can be divided into four types of connection forms: threaded connection, flange connection, welded connection and wafer connection.
Classification by material
1. Cast iron check valve
2. Brass check valve
3. Stainless steel check valve
4. Carbon steel check valve
5. Forged steel check valve
Precautions
1. Do not let the check valve bear weight in the pipeline system. Large check valves should be supported independently so that they are not affected by the pressure generated by the pipeline system.
2. When installing, please note that the direction of medium flow should be consistent with the direction of the arrow marked on the valve body.
3. The lift-type vertical flap check valve should be installed on the vertical pipeline. 4. Lift-type horizontal flap check valve should be installed on horizontal pipelines.
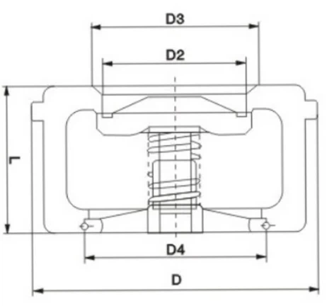
Dimensions


Hot Tags: wafer lift type flow control butterfly check valve, China, manufacturers, suppliers, factory, buy, price, quotation, Electric Valve Actuator For Rotork, 220v Butterfly Valve Electric Actuator, Air Damper Valve, Electric Globe Valve, Electric Butterfly Valve, Linear Electric Actuator For Rotork
