FINE SMART ELECTRIC VALVE ACTUATOR

OVERVIEW
FRY series electric actuators are used to control valves with 0-90° rotation and other similar products, such as butterfly valves, ball valves, plug valves, shutter valves, etc. It uses AC415V, 380V, 240V, 220V, 110V, DC24V as the driving power supply, and 4-20mA analog signal or 0-10VDC electrical signal as the control signal to move the valve to the desired position to achieve automatic control, with a maximum output torque of 2000Nm. It can be widely used in the fields of petroleum, chemical power, metallurgy, papermaking water treatment, ships, food processing, and building automation. It also has many advantages such as small size and light weight, beautiful appearance, unique structure, compact opening and closing, fast, easy installation, small operating torque, easy operation, no maintenance, safe and convenient use, etc.
PERFORMANCE FEATURES OF ELECTRIC ACTUATORS
• Shell: The shell is made of hard aluminum alloy, anodized and polyester powder coated, with strong corrosion resistance and protection grade IP67.
• Motor: Fully enclosed squirrel cage motor, small size, high torque, small inertia force, insulation grade F, which can prevent overheating and damage to the motor.
• Manual structure: The design of the handle ensures safety, reliability, labor saving and small size. When there is no power, the handle can be turned for manual operation. When not in use, place the wrench in the wrench clamp for easy use.
• Indicator: The indicator is installed on the central axis to observe the valve position. The lens adopts a convex mirror design, which prevents water accumulation and makes observation more convenient.
• Sealing: Good sealing, the standard protection grade is IP67.
• Limit switch: Mechanical and electronic dual limit. The mechanical limit screw is adjustable, safe and reliable; the electronic limit switch is controlled by a cam mechanism, and the simple adjustment mechanism can accurately and conveniently set the position without being affected by excessive handwheel.
• Self-locking: The precise worm gear mechanism can efficiently transmit large torque, with high efficiency, low noise (max. 50 dB), and long life. It has a self-locking function to prevent reversal, and the transmission part is stable and reliable, without the need for refueling.
PRODUCT STRUCTURE

1. Small volume
The volume is only 35% of similar products.
2. Multiple protection
Electrical limit, mechanical limit, overheat protection, dehumidification protection.
3. Precision and wear-resistant worm gear
The worm gear and the worm are perfectly combined and linked together harmoniously. The integration of the worm gear output effectively reduces the connection gap and greatly improves the transmission accuracy.
4. Motor
It passed the AC1500V withstand voltage test, H-class highly insulated motor to ensure body and production safety. The manual operating handle is not easy to lose. Place a handle clamp on the mechanical limit bolt to make the hex wrench less likely to be lost in the field.
5. Connection plate
The ISO5211 mounting plate is more standard and simpler to connect to the valve. Assembly with the valve is more convenient and reliable. The valve stem is directly inserted into the worm gear inside the actuator, making the force armbetween the valve and the output shaft shorter and the output force more stable.
6. Position indicator
Using high-strength glass lens sintering technology, the display window is more beautiful and smooth.
7. Shell protection
The protection grade IP67, which solves the stubborn problems of low protection grade and poor performance of traditional explosion-proof products.
PARAMETERS AND FUNCTIONS
|
Protection grade |
Standard IP65/IP67 Special IP68 |
|
Power supply |
Three-phase AC380V---460V 50/60Hz Single-phase: AC110V-AC220V DC24V AC24V 50/60Hz |
|
Motor |
Squirrel cage induction motor |
|
Cable entry |
Standard configuration: 1xM18 Explosion-proof 2-M20*15 explosion-proof plug (to be implemented) When using, the user should install the corresponding explosion-proof cable joint according to the selected cable. |
|
Limit switches |
2X(Open )/( Close)SPDT, 250V AC10A |
|
Auxiliary limit switch |
2X( Open)/( Close)SPDT, 250V AC10A |
|
Jam protection |
Build-in overheat protection |
|
Travel angle |
90° |
|
Position indicator |
Continuous mechanical indicator with arrow |
|
Self locking |
Provided by double worm gearing (no brake) |
|
Mechanical limit |
2 external adjustment bolts |
|
Ambient temperature |
Standard: -20~+60℃ Optional low temperature type: -60+70℃ ( Built-in heating dehumidifier 7-10W 110V /220VAC) |
|
Ambient humidity |
90%RH max (Non-condensing) |
|
Explosion-proof grade |
Exd IICT4 IECEx ATEx custom certification available |
TECHNICAL PARAMETERS AND DIMENSIONS
FRY05

|
Voltage Performance |
DC24V |
AC24V |
AC110V |
AC220V |
AC380V |
|
Motor power |
13W |
15W |
15W |
15W |
15W |
|
Rated current |
1.28A |
1.05A |
0.24A |
0.15A |
0.07A |
|
Output torque |
20NM/50NM |
50NM |
50NM |
50NM |
50NM |
|
Travel time |
5S/8S |
26S |
26S |
26S |
26S |
|
Rotation angle |
0°-90°±5° |
0°-90°±5 |
0°-90°±5 |
0°-90°±5 |
0°-90°±5 |
|
Control circuit |
On-off type/passive contact type/opening signal type/intelligent modulating type |
||||
|
Total weight |
3Kg |
||||
|
Insulation resistance |
100MΩ/250VDC |
100MΩ/500VDC |
|||
|
Withstand voltage grade |
500VAC/1min |
500VAC/1min |
1500VAC/1min |
1500VAC/1min |
1800VAC/1min |
|
Protection grade |
IP67 |
||||
|
Installation direction |
Installation at any angle |
||||
|
Electrical interface |
PG13.5 nylon waterproof cable connector |
||||
|
Ambient temperature |
-30℃-+60℃ |
||||
FRY10/16

|
Voltage Performance |
DC24V |
AC24V |
AC110V |
AC220V |
AC380V |
|
Motor power |
25W |
30W |
30W |
30W |
30W |
|
Rated current |
2.03A |
2.12A |
0.57A |
0.30A |
0.10A |
|
Output torque |
100NM |
100NM/160NM |
|||
|
Travel time |
10S/20S |
30S/60S |
|||
|
Rotation angle |
0°-90°±5° |
0°-90°±5 |
0°-90°±5 |
0°-90°±5 |
0°-90°±5 |
|
Control circuit |
On-off type/passive contact type/opening signal type/intelligent modulating type |
||||
|
Total weight |
4Kg |
||||
|
Insulation resistance |
100MΩ/250VDC |
100MΩ/500VDC |
|||
|
Withstand voltage grade |
500VAC/1min |
500VAC/1min |
1500VAC/1min |
1500VAC/1min |
1800VAC/1min |
|
Protection grade |
IP67 |
||||
|
Installation direction |
Installation at any angle |
||||
|
Electrical interface |
PG13.5 nylon waterproof cable connector |
||||
|
Ambient temperature |
-30℃-+60℃ |
||||
FRY25/50

|
Voltage Performance |
DC24V |
AC220V |
AC380V |
DC24V |
AC220V |
AC380V |
|
|
Motor power |
50W |
60W |
40W |
70W |
90W |
90W |
|
|
Rated current |
3.57A |
0.80A |
0.29A |
5.1A |
1.00A |
0.35A |
|
|
Output torque |
250NM |
250NM |
250NM |
500NM |
500NM |
500NM |
|
|
Travel time |
30S |
||||||
|
Rotation angle |
0°-90°±5° |
0°-90°±5 |
0°-90°±5 |
0°-90°±5 |
0°-90°±5 |
0°-90°±5 |
|
|
Control circuit |
On-off type/passive contact type/opening signal type/intelligent modulating type |
||||||
|
Total weight |
6.8Kg |
6.8Kg |
6.8Kg |
8Kg |
8Kg |
8Kg |
|
|
Insulation resistance |
DC24:100MΩ/250VDC AC220/AC380:100MΩ/500VDC |
||||||
|
Withstand voltage grade |
DC24:500VAC/1min AC220:1500VAC/1min AC380:1800VAC/1min |
||||||
|
Protection grade |
IP67 |
||||||
|
Installation direction |
Installation at any angle |
||||||
|
Electrical interface |
PG13.5 nylon waterproof cable connector |
||||||
|
Ambient temperature |
-30℃-+60℃ |
||||||
FRY100/FRY200

|
Voltage Performance |
AC220V |
AC380V |
AC220V |
AC380V |
|
Motor power |
120W |
90W |
140W |
90W |
|
Rated current |
1.20A |
0.44A |
1.20A |
0.48A |
|
Output torque |
1000NM |
1000NM |
2000NM |
2000NM |
|
Travel time |
60S |
60S |
100S |
100S |
|
Rotation angle |
0°-90°±5 |
0°-90°±5 |
0°-90°±5 |
0°-90°±5 |
|
Control circuit |
On-off type/passive contact type/opening signal type/ intelligent modulating type |
|||
|
Total weight |
12Kg |
|||
|
Insulation resistance |
AC220/AC380:100MΩ/500VDC |
|||
|
Withstand voltage grade |
AC380:1800VAC/1min |
|||
|
Protection grade |
IP67 |
|||
|
Installation direction |
Installation at any angle |
|||
|
Electrical interface |
PG13.5 nylon waterproof cable connector |
|||
|
Ambient temperature |
-30℃-+60℃ |
|||
MECHANICAL PARTS

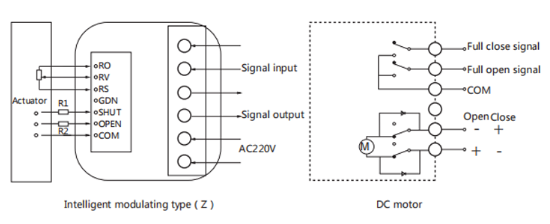
WIRING DIAGRAM


FIELD APPLICATIONS


APPLICATIONS RANGE

Our Factory

Hot Tags: shipbuilding marine industry motorized actuator 24v, China, manufacturers, suppliers, factory, buy, price, quotation, 4 20ma Valve Actuator, Angular Travel For Rotork Actuator, Electric Actuator, Linear Electric Actuator For Rotork, Motor Operated Butterfly Valve, Part turn Butterfly Valve Actuator
